Scanner Window

Width: 2 inch – 4.33 inch
Lenth: 2 inch – 8 inch
Orientation: Random
Surface Quality: As grow to 40/20
Note:Scanner windows can be replaced by the material of white float glass too,which can be at a very low cost compared to sapphire.
Rotor Bolt
1

2

Pivot
1
2
Penpoint
1

2

Sapphire Nozzles

Sapphire & Ruby Nozzles can mounted in brass, red copper, stainless steel, aluminium and so on.
Typical Applications
Ultra-high pressure water Cutting;
Blood hematology analyzers;
High Pressure Water Jet;
Ink Jet Printing;
Artificial mist;



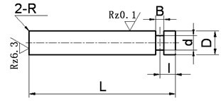
| Specification |
|
Products |
Subjects |
Outside Diameter (mm) |
Inner Diameter (mm) |
Length (mm) |
Taper |
Surface Roughness |
|
Nozzles |
Size |
0.60 ~ 20.00 |
0.04 ~ 12.00 |
0.40 ~ 15.00 |
Custom design |
Rz0.05~Rz0.2 |
|
Tolerance |
0.004 ~ 0.03 |
0.003 ~ 0.10 |
0.02 ~ 0.10 |
+/-3° | |
|
| We offer other specifications and special products according to your requirements. |