|
|
Sapphire Ball Lens and Hemisphere Lens

Balls & balls measuring head jewels are made of synthetic sapphire/ruby. Our most products are at 10 Grade, for some size, we also can reach Grade 5.They are largely used in heavily corrosive environment and optical fiber communication because of its anticorrosion, wearable and fine transmission characteristics. Balls measuring head jewels are used as insulated measure head on precise instruments.
| Specifications |
|
Products |
Ball Diameter (mm) |
Tolerance (mm) |
Roundness (mm) |
Inner Diameter (mm) |
Scratch/Dig |
Surface roughness |
|
Sapphire & Ruby Balls |
0.50 ~ 1.50 |
+/-0.00254 |
0.000254 |
0.40 ~ 0.80 |
40/20 |
Rz0.1 |
|
1.50 ~ 8.00 |
+/-0.00254 |
0.000254 |
0.80 ~ 5.00 |
|
8.00 ~ 20.00 |
+/-0.00254 |
0.000254 |
3.00 ~ 12.00 | |
Material
Sapphire/ruby , natural agate, SiC, ceramic, crystallite glass ,Si3N4,spinel, hard alloy etc.
|
Sapphire Rod

|
|
Sapphire rods are made of sapphire/ruby, they are widely applied to medicine, accurate machine, accurate measure and inspection and laser technology. They also contribute a lot in the anticorrosion, wearable and high heat conduction environments.
Rods are available with diameters or ends both highly polished. Rods with radius and total or partial flats and angles are available. The Czochralski ruby used in the manufacture of our laser rods is noted for its ultra-high purity - free from inclusions, clouds, bubbles, lineage or axis misorientations. Typical Applications: pumps, light pipes, spacers,insulators,sapphire piston for HPLC system.Main types:
Specifications
|
sapphire rods |
Size |
Outside Diameter |
Height |
Edge |
|
Max deviation |
Φ0.40 ~ 30.0 |
2.00 ~ 250.00 |
Chamfer/Radius |
|
0.004 ~ 0.05 |
0.03 ~ 0.25 |
|
Surface roughness: the surface for application: Rz0.05~ Rz0.2 |
Material
Synthetic sapphire/ruby single crystal α-Al2O3, zirconia ceramic, alumina ceramic, SiC, Si3N4,fused silica and optical glass.

|
|
Sapphire Vee and Cup

Vee and Cup jewels are mainly used for movement system in electronic meter, hot water meter, liquid measuring instrument, single-phase KHW meter, triphase KHW meter, aviation and navigation instruments, weather apparatus and many other kinds of instruments and apparatus. .
Material: Synthetic sapphire/ruby single crystal a-Al2O3, natural agate, crystallite glass and ceramic, etc.

|
Specification |
|
Products |
Subjects |
Outside Diameter (mm) |
Thk. (Thickness) (mm) |
Radius (mm) |
Depth (mm) |
Angle |
Surface roughness |
|
Sapphire Vee & Cup Jewels |
Size |
0.80 ~ 25.00 |
0.50 ~ 25.00 |
0.30 ~ 150.00 |
0.05 ~ 12.00 |
Custom design |
Rz0.05~Rz0.8 |
|
Tolerance |
0.005 ~ 0.05 |
0.01 ~ 0.10 |
0.02 ~ 0.20 |
0.01 ~ 0.10 |
+/-3 ° | |
|
| We offer other specifications and special products according to your requirements. |
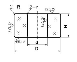
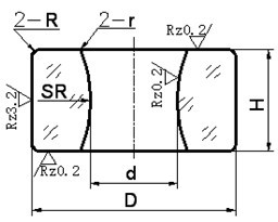
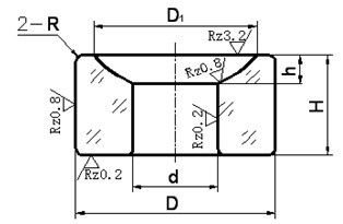
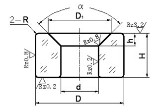
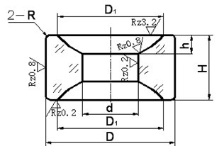
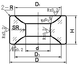
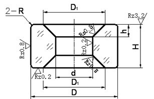
Sapphire Rings

|
Specification |
|
Products |
Subjects |
OD
(Outside Diameter)
(mm) |
ID
(Inner Diameter)
(mm) |
THK.
(Thickness)
(mm) |
R1 (Radian of Inner hole) |
R2
(Cup/ Raised
Curvature Radius) |
Surface
roughness |
|
Sapphire & Ruby Rings |
Size |
0.60 ~ 50.00 |
0.06~ 40.00 |
0.10 ~ 10.00 |
>2 THK. |
≥0.35 |
the surface for application: Rz0.05~Rz0.2 Assemble and
sink surfaces:
Rz1.6 |
|
Tolerance |
0.004 ~ 0.05 |
0.004 ~ 0.05 |
+/-0.005 |
>+/-0.03 | |
|
| 1. Plane straight hole Ring

2.Plane Olive Hole Ring

3.Convex Straight Hole Ring

4.Convex Olive Hole Ring

5.Plane Straight hole-single cup Ring

6.Plance Olive hole-single cup Ring

7.Plane straight hole-Single conical cup Ring

8.Plane olive hole-single conical cup Ring

9.Plane straight hole-double cup Ring

10.Plane Olive hole-double cup Ring

11.Plane straight hole-double conical cup Ring

12.Convex Olive hole-single cup Ring

|